INFORMATION

行业资讯

当前位置:首页 >> 新闻资讯 >> 行业资讯

SKL滚针推力圆柱滚子组合轴承ZARF、ZARN

时间:2024-04-19   访问量:1147



滚针推力圆柱滚子轴承是一种特殊的轴承类型,它结合了滚针轴承和推力圆柱滚子轴承的特点,实现了在承受径向负荷的同时,也能承受双向轴向负荷。这种轴承具有承载能力强、刚性好的特点,常被用于需要承受高载荷和复杂工作环境的设备中。


在应用场景方面,滚针推力圆柱滚子轴承因其优良的性能被广泛应用于多个领域。例如,在石油钻机、制铁制钢机械等重载设备中,它们能够承受高负荷和冲击。此外,这类轴承也适用于飞机喷气式发动机、燃汽轮机等对轴承性能要求极高的场合。


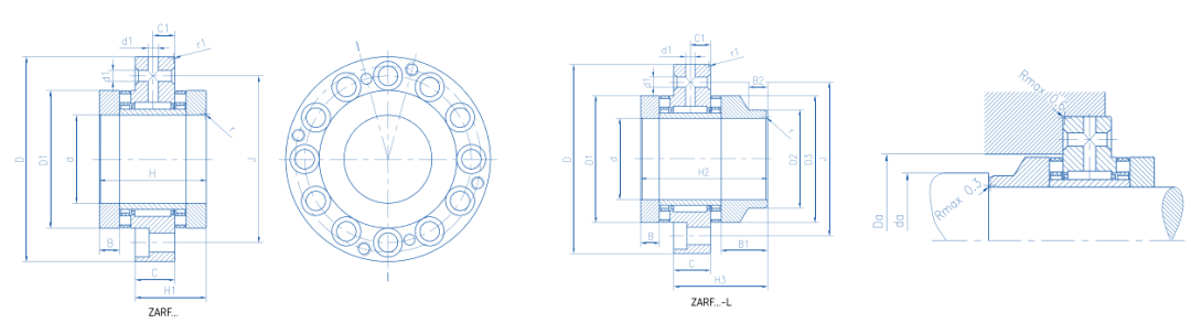
SKL滚针推力圆柱滚子轴承由一个外圈、两个轴圈、一个内圈、一个径向滚针保持架组件和两个推力圆柱滚子保持架组件组成,外圈具有径向和轴向滚道。分有螺栓安装和非螺栓安装两种。凭借优越的性能和广泛的适用性,SKL滚针推力圆柱滚子轴承在众多工业领域发挥着重要作用。


图片


基本介绍

预载和内部游隙:SKL滚针推力圆柱滚子轴承外圈、内圈和轴向保持架相互配合,因此采用精密锁紧螺母预紧后,轴承可以实现轴向无游隙。轴承的内部径向游隙符合标准 DIN620中的 C2 组。


螺栓安装的轴承:ZARF 系列滚针推力圆柱滚子轴承的外圈上有安装孔,可通过螺栓直接安装在相邻结构或径向定位孔中。由于轴承外圈是螺栓安装,因此可以省去额外所需要的轴承端盖和选配工作,采用精密锁紧螺母对轴承预紧,轴承紧靠轴肩。


非螺栓安装的轴承:ZARN(L)系列安装在轴承座孔中,外圈采用轴承盖固定,采用精密锁紧螺母预紧轴承,轴承紧靠轴肩。


带密封组件:为了使设计更简单,ZARF 系列滚针推力圆柱滚子轴承推荐使用密封组件 DRS,密封组件与外圈对中并保护轴承不受外界因素影响。


带加长轴圈:ZARF..-L、ZARN..-L均具有加长的阶梯式轴圈,这些系列多用于轴圈无法完全支撑轴向载荷或者由于外部空间限制导致轴圈无法在轴承单元外侧密封的情况。


现有设计:

图片


重载系列:ZARF(L)、ZARN(L)也有重载系列产品。对于相同的轴径,重载系列的截面较大,因此基本额定载荷较高。


工作温度:轴承的许可工作温度为 -30℃到 +120℃。


相邻结构的设计:轴和轴承座的设计须按照尺寸表中的数据,须考虑相邻结构的许用接触应力。


润滑:滚针推力圆柱滚子轴承可通过外圈再润滑。轴承采用油基进行防锈,更适于油润滑。


精度:滚针推力圆柱滚子轴承尺寸和几何公差符合DIN620,轴向精度等级P4,径向精度等级P6。


  图片


型号参考


图片

图片


图片

图片


Copyright © 2025 All Rights Reserved.

沪ICP备2022034204号-1 XML地图